ZSHV型系列气动V型球阀,球芯呈V形状,可实现线性调节,可调范围大。当阀门关闭时,V型缺口与阀座之间产楔形剪切作用,既具有自洁功能又能防止球芯卡死,特别适用于管线结垢冻结场合。适宜于控制纸浆、污水,含有纤维和颗粒固体悬浮介质及粉粒状介质。配用的ZSH系列气缸活塞式执行机构,结构简单,输出力矩大。本系列球阀按密封性能分为软密封和硬密封;按调节方式分为调节型和切断型,切断型按作用形式分单作用和双作用式,调节型为双作用式。单作用式的独特优点是一旦动力源发生故障,球阀将按控制系统的要求自动处于关闭或开启位置。产品广泛应用于电力、石油、化工、造纸、轻纺、食品、制药、航空航天等领域。
Ø 主要技术参数和性能
型式 | 直通式铸造球阀 | |||||||||||||
公称通径DN | 25 | 32 | 40 | 50 | 65 | 80 | 100 | 125 | 150 | 200 | 250 | 300 | 350 | 400 |
阀座直径 | 20 | 26 | 33 | 40 | 53 | 66 | 86 | 104 | 128 | 170 | 212 | 255 | 300 | 340 |
额定流量系数Kv | 25 | 36 | 63 | 100 | 184 | 280 | 400 | 600 | 950 | 1540 | 2500 | 3900 | 6150 | 9800 |
公称压力PN | PN1.6 6.4MPa | |||||||||||||
泄漏量 | 软密封:≤1.8×10-7×△P×DN.1/h(试验介质为液体:式中△P为压差) 硬密封:≤10-4×阀额定容量.1h(阀额定容量的计算见附表) | |||||||||||||
气源压力 | 0.4~0.6MPa | |||||||||||||
连接形式 | 对夹式、法兰式、管道法兰按JB79-59标准 | |||||||||||||
适用温度 | 软密封 | |||||||||||||
球芯转角 | 90度 | |||||||||||||
流量特性 | 近似等百分比 | |||||||||||||
阀体材料 | A105、F321、F316、WCB、ZG1Cr18NiTi、ZGOCr18NiTi、ZGOOrL7N14MO2 | |||||||||||||
球芯型式 | 部分球带有V形缺口 | |||||||||||||
阀座材料 | 聚四氟乙烯、不锈钢司太立硬质合金 | |||||||||||||
基本误差 | ≤全行程的2%(带定位器) | |||||||||||||
回差 | ≤全行程的2.0%(带定位器) | |||||||||||||
死区 | ≤全行程的0.8%(带定位器) | |||||||||||||
额定流量系数误差% | ≤±10 | |||||||||||||
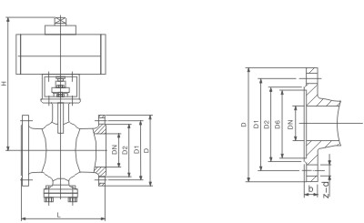
公称压力PN(MPa) | 公称通径DN(mm) | 尺寸(mm) | ||||||||
L | 对夹连接 | 法兰连接 | H | |||||||
D | D | D1 | D2 | D6 | b | z-d | ||||
1.6 | 25 | 102 | 64 | 115 | 85 | 5 | - | 14/16 | 4-14 | 233 |
40 | 114 | 82 | 145/150 | 110 | 85/84 | - | 16/18 | 4-18 | 280 | |
50 | 124 | 100 | 160/165 | 125 | 100/99 | - | 16/20 | 4-18 | 362 | |
65 | 145 | 118 | 180/185 | 145 | 120/188 | - | 18/20 | 4-18 | 377 | |
80 | 165 | 130 | 195/200 | 160 | 135/132 | - | 20 | 8-18 | 410 | |
100 | 194 | 155 | 215/220 | 180 | 155/150 | - | 20/22 | 8-18 | 423 | |
125 | 210 | 185 | 245/250 | 210 | 185/184 | - | 22 | 8-18 | 436 | |
150 | 229 | 216 | 280/285 | 240 | 210/211 | - | 24 | 8-23/8-22 | 653 | |
200 | 243 | 264 | 335/340 | 295 | 265/266 | - | 26/24 | 12-23/12-22 | 703 | |
250 | 297 | 328 | 405 | 355 | 320/319 | - | 30/26 | 12-25/12-26 | 787 | |
300 | 338 | 373 | 460 | 410 | 375/370 | - | 30/28 | 12-25/12-26 | 827 | |
2.5 | 25 | 102 | 64 | 115 | 85 | 65 | - | 16 | 4-14 | 233 |
40 | 114 | 82 | 145/150 | 110 | 85/84 | - | 18 | 4-18 | 280 | |
50 | 124 | 100 | 160/165 | 125 | 100/99 | - | 20 | 4-18 | 362 | |
65 | 145 | 118 | 160/185 | 145 | 120/118 | - | 22 | 8-18 | 377 | |
80 | 165 | 130 | 195/200 | 160 | 135/132 | - | 22-24 | 8-18 | 410 | |
100 | 194 | 155 | 230/235 | 190 | 160/156 | - | 24 | 8-23/8-22 | 423 | |
125 | 210 | 185 | 270 | 220 | 188/184 | - | 28/26 | 8-25/8-26 | 436 | |
150 | 229 | 216 | 300 | 250 | 218/211 | - | 30/28 | 8-25/12-26 | 653 | |
200 | 243 | 264 | 360 | 310 | 278/274 | - | 34/30 | 12-25/12-26 | 703 | |
250 | 297 | 328 | 425 | 370 | 332/330 | - | 36/32 | 12-30 | 787 | |
300 | 338 | 373 | 485 | 430 | 390/389 | - | 40/34 | 16-30 | 827 | |
注:对夹式“L”同法兰连接“L”一样。(包括所有压力)
Ø 订货须知
订货时请填写规格书或注明以下内容:
1、产品型号 2、公称通径,阀座直径 3、公称压力 4、阀体和阀内组件材料 5、适用温度 6、调节方式 7、双作用或单作用(单作用请注明气开式或气闭式) 8、是否带附件 9、连接型式
本厂可按客户要求供货
公称压力PN(MPa) | 公称通径DN(mm) | 尺寸(mm) | ||||||||
L | 对夹连接 | 法兰连接 | H | |||||||
D | D | D1 | D2 | D6 | b | z-d | ||||
4.0 | 25 | 102 | 68 | 115 | 85 | 65 | 58 | 16 | 4-14 | 262 |
40 | 114 | 88 | 145/150 | 110 | 85/84 | 76 | 18 | 4-18 | 280 | |
50 | 124 | 102 | 160/165 | 125 | 100/99 | 88 | 20 | 4-18 | 362 | |
65 | 145 | 122 | 180/185 | 145 | 120/118 | 110 | 22 | 4-18 | 400 | |
80 | 165 | 138 | 195/200 | 160 | 135/132 | 121 | 22/24 | 8-18 | 603 | |
100 | 194 | 162 | 230/235 | 190 | 160/156 | 150 | 24 | 8-18 | 616 | |
125 | 210 | 188 | 270 | 220 | 188/184 | 176 | 28/26 | 8-23/8-22 | 643 | |
150 | 229 | 218 | 300 | 250 | 218/211 | 204 | 30/28 | 8-25/8-26 | 685 | |
200 | 243 | 285 | 375 | 320 | 282/284 | 260 | 38/34 | 12-30 | 747 | |
250 | 297 | 345 | 445/450 | 384 | 345 | 313 | 42/38 | 12-24/12-33 | 933 | |
300 | 338 | 410 | 510/515 | 450 | 408/409 | 364 | 46/42 | 16-34/16-33 | 980 | |
6.4 | 25 | 102 | 68 | 135/140 | 100 | 78 | 58 | 22 | 4-18 | 262 |
40 | 114 | 88 | 165/170 | 125 | 95 | 76 | 24 | 4-23 | 280 | |
50 | 124 | 102 | 175/180 | 135 | 105 | 88 | 26 | 4-23 | 362 | |
65 | 145 | 122 | 200/205 | 160 | 130 | 110 | 28 | 8-23 | 400 | |
80 | 165 | 138 | 210/215 | 170 | 140 | 121 | 30 | 8-23 | 603 | |
100 | 194 | 162 | 250 | 200 | 168 | 1580 | 32 | 8-25 | 616 | |
125 | 210 | 188 | 295 | 240 | 202 | 176 | 36 | 8-30 | 643 | |
150 | 229 | 218 | 340/345 | 280 | 240 | 204 | 38 | 8-34 | 685 | |
200 | 243 | 285 | 405 | 345 | 300 | 260 | 44 | 12/3412-26 | 747 | |
250 | 297 | 345 | 470 | 400 | 352 | 313 | 48 | 12/41/12-36 | 933 | |
300 | 338 | 410 | 530 | 460 | 412 | 346 | 54 | 16-41/16-36 | 980 | |
Ø 主要配置附件:
调节型:电气阀门定位器、智能阀位变送器、空气过滤减压器、手轮机构等
切断型:空气过滤减压器、电磁阀、阀位开关、手轮机构等
Ø 外形及连接尺寸